当前位置:首页>公告公示
日期:2025-12-31 09:13 来源:内蒙古黄河西部水业股份有限公司(临河黄河水厂) 
分享到:
    
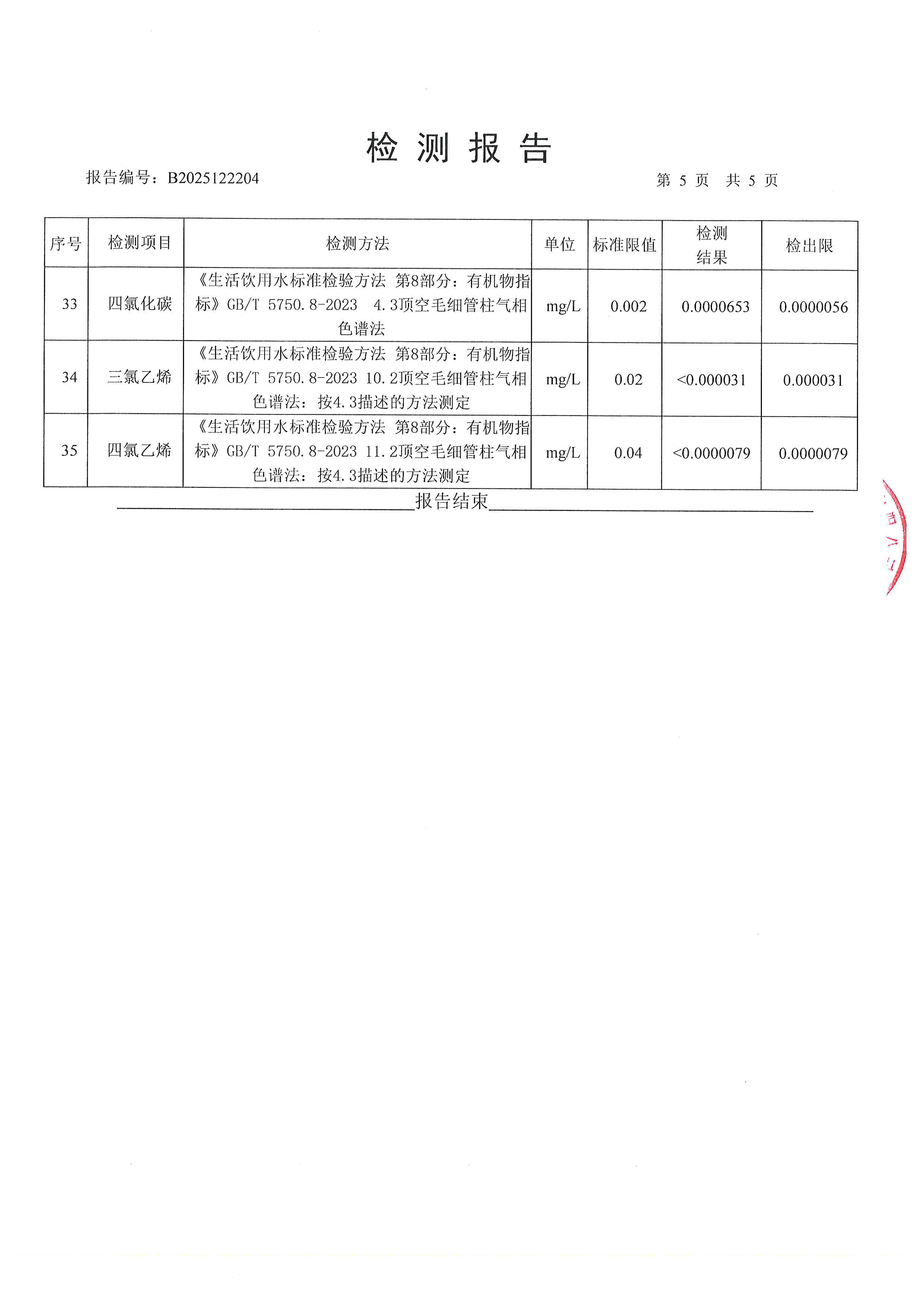
临河城区集中式饮用水水质检验报告(临河黄河水厂出厂水水质检验报告)2025年12月份
 

20251231091609914214_11.png

20251231091609187941_11.png

20251231091609205431_11.png

20251231091609205016_11.png

20251231091609179671_11.png

20251231091609615193_11.png

20251231091609380623_11.png

初审:李军     复审:袁惇     终审:梁志刚